Một bộ profile nhôm cao cấp đến đâu nhưng đi kèm bộ phụ kiện kém chất lượng cũng sẽ sớm dẫn đến tình trạng xệ cánh, kẹt khóa hay phát ra tiếng kêu khó chịu. Bài viết này sẽ cung cấp cho bạn cái nhìn toàn diện nhất về hệ thống phụ kiện cửa nhôm kính, từ cấu tạo, phân loại đến kinh nghiệm lựa chọn từ những kỹ sư dày dạn kinh nghiệm.
Phụ kiện cửa nhôm kính là tập hợp các chi tiết kim khí được thiết kế đồng bộ nhằm liên kết các thanh nhôm và kính lại với nhau, tạo thành một hệ thống cửa hoàn chỉnh có khả năng đóng mở.
Vai trò của phụ kiện cửa nhôm kính không chỉ dừng lại ở việc kết nối:
Vận hành: Giúp cửa đóng mở nhẹ nhàng, êm ái, không gây tiếng ồn.
An toàn: Hệ thống khóa đa điểm giúp chống trộm, bảo vệ ngôi nhà.
Chịu lực: Nâng đỡ trọng lượng của toàn bộ cánh cửa (đặc biệt là các dòng kính cường lực nặng).
Thẩm mỹ: Tạo điểm nhấn sang trọng cho bộ cửa thông qua thiết kế tay nắm và bản lề.
Để một bộ cửa hoạt động trơn tru, cần sự phối hợp nhịp nhàng của nhiều chi tiết khác nhau. Tùy vào quy cách mở (mở quay, mở lùa, mở hất) mà bộ phụ kiện sẽ có sự thay đổi.
Bản lề là "khớp nối" chịu toàn bộ tải trọng của cánh cửa vào khung bao. Nếu chọn bản lề không phù hợp với trọng lượng cánh, cửa sẽ nhanh chóng bị xệ, gây khó khăn khi đóng mở và làm hỏng kết cấu nhôm.
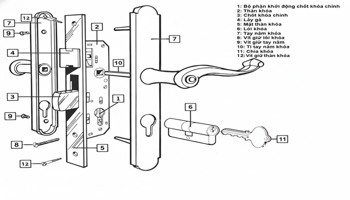
Đây là bộ phận người dùng tiếp xúc hàng ngày. Một bộ khóa tốt phải đảm bảo độ nhạy, không bị rít và có tính bảo mật cao.
Tay nắm: Có nhiều kiểu dáng như tay nắm đơn điểm, đa điểm, tay nắm chữ D (cho cửa lùa).
Lõi khóa (Cylinder): Quyết định độ an toàn chống bẻ khóa.
Thân khóa: Liên kết giữa tay nắm và các điểm chốt.
Xem thêm:
Những mẫu cửa nhôm kính 4 cánh đẹp và mới nhất hiện nay
Cửa Nhôm Xingfa Hệ 55: Báo Giá Chuẩn, Thông Số Kỹ Thuật & Mẫu Thi Công Đẹp
Cửa Nhôm Xingfa: Cấu Tạo, Ưu Nhược Điểm & Ứng Dụng 2026
Đối với các dòng phụ kiện cửa nhôm Xingfa cao cấp, hệ thống thanh chuyển động giúp liên kết tay nắm với nhiều điểm chốt trên khung cửa. Khi khóa, cửa sẽ được ép chặt vào khung tại nhiều vị trí, tăng cường khả năng cách âm và chống cạy cửa.
Gioăng cao su (EPDM): Đảm bảo độ kín khít, chống nước và cách âm.
Bánh xe: Dành riêng cho cửa mở lùa (cửa trượt), yêu cầu chịu tải tốt và chạy mượt trên ray.
Thanh chống gió (Thanh hạn vị): Giữ cửa sổ mở hất không bị va đập khi có gió lớn.
Việc hiểu rõ các loại bản lề cửa nhôm kính sẽ giúp bạn giám sát đơn vị thi công tốt hơn, tránh việc lắp đặt sai công năng.
Bản lề 1D: Loại cơ bản, chỉ cố định một vị trí.
Bản lề 3D: Cho phép tinh chỉnh cánh cửa theo 3 hướng (lên - xuống, trái - phải, vào - ra). Đây là loại phổ biến nhất vì dễ dàng xử lý khi cửa bị xệ sau thời gian dài sử dụng.
Bản lề 4D: Cải tiến từ 3D với thiết kế chắc chắn hơn, chịu tải cực tốt cho các bộ cửa chính 4 cánh rộng lớn.
Loại bản lề này thường dùng cho cửa sổ mở hất hoặc mở quay. Đặc điểm của nó là tạo ra lực ma sát giúp giữ cánh cửa đứng yên ở một góc độ nhất định, không bị gió thổi sập bất thình lình.
Sử dụng cho các dòng cửa nhôm hệ thủy lực có bản cánh lớn (thường thấy ở sảnh khách sạn, văn phòng). Bản lề được chôn dưới sàn, giúp cửa có khả năng tự động đóng lại nhẹ nhàng.
Thị trường hiện nay có rất nhiều các hãng phụ kiện cửa nhôm kính. Tại Trường Sinh Group, chúng tôi phân loại theo 3 phân khúc chính để khách hàng dễ lựa chọn:
Đặc điểm: Nhập khẩu trực tiếp từ Châu Âu (Đức, Bỉ...).
Ưu điểm: Độ bền trên 25 năm, vận hành cực kỳ mượt mà, thiết kế tinh xảo, lớp mạ chống ăn mòn muối biển.
Giá thành: Rất cao, phù hợp cho biệt thự, resort cao cấp.
Xem thêm: 7 sai lầm thường gặp khi chọn cửa nhôm kính Xingfa cho công trình dân dụng
Đặc điểm: Được sử dụng rộng rãi nhất tại Việt Nam.
Ưu điểm: Giá thành hợp lý, dễ tìm linh kiện thay thế, tương thích tốt với nhôm Xingfa.
Lưu ý: Thương hiệu Kinlong hiện bị làm giả rất nhiều trên thị trường.

Đặc điểm: Thường được thiết kế đồng bộ theo các hệ nhôm riêng biệt.
Ưu điểm: Tính thẩm mỹ hiện đại, màu sắc đa dạng (bạc, đồng, đen, vàng).
Để tránh "tiền mất tật mang", chủ đầu tư nên bỏ túi 4 bước chọn phụ kiện cửa nhôm kính cao cấp sau:
Bước 1 - Chọn phụ kiện đồng bộ: Hãy ưu tiên sử dụng phụ kiện được thiết kế riêng cho hệ nhôm đó. Ví dụ: Nhôm Xingfa nên đi cùng Kinlong chính hãng hoặc Draho để đảm bảo độ kín khít tuyệt đối.
Bước 2 - Xác định đúng công năng: Cửa chính cần an toàn tuyệt đối nên dùng khóa đa điểm. Cửa phòng vệ sinh có thể dùng khóa đơn điểm để tiết kiệm chi phí.
Bước 3 - Kiểm tra chất liệu và lớp mạ: Phụ kiện tốt thường làm từ inox 304 hoặc hợp kim nhôm đúc nguyên khối. Bề mặt sơn tĩnh điện hoặc mạ anode phải mịn, không có vết rỗ hay bong tróc.
Bước 4 - Cảnh giác với hàng giả: Đây là vấn đề nhức nhối. Hãy yêu cầu đơn vị thi công trình hóa đơn chứng từ (CO-CQ) và kiểm tra các dấu hiệu nhận biết hàng thật như logo dập nổi sắc nét, lò xo đàn hồi tốt.
Dựa trên kinh nghiệm thực tế, Trường Sinh Group xin chia sẻ một vài lưu ý để kéo dài tuổi thọ cho bộ cửa:
Không tự ý tra dầu mỡ sai loại: Tránh dùng dầu nhớt xe máy vì dễ bám bụi bẩn gây kẹt. Nên dùng các loại mỡ bò trắng chuyên dụng hoặc dung dịch RP7 để vệ sinh.
Kiểm tra ốc vít định kỳ: Sau khoảng 6-12 tháng, hãy kiểm tra các ốc vít ở bản lề và tay nắm xem có bị lỏng do rung chấn hay không.
Vệ sinh đúng cách: Chỉ dùng khăn ẩm lau sạch tay nắm, tránh dùng hóa chất tẩy rửa mạnh làm hỏng lớp mạ bề mặt.
.jpg)
Nếu bạn đang tìm kiếm một đơn vị thi công uy tín, Trường Sinh Group tự hào là đối tác chiến lược của các hãng phụ kiện hàng đầu như Kinlong, Draho, Roto...
Chúng tôi cam kết:
Hy vọng cẩm nang về phụ kiện cửa nhôm kính trên đây đã giúp bạn hiểu rõ hơn về tầm quan trọng của các chi tiết kim khí đối với một bộ cửa. Đừng quá tiết kiệm chi phí cho phụ kiện, bởi đó chính là khoản đầu tư cho sự an toàn và bền vững của ngôi nhà bạn.
Nếu bạn cần tư vấn sâu hơn hoặc nhận báo giá chi tiết, hãy liên hệ ngay với chuyên gia của chúng tôi.